Бізге электрондық пошта
Жаңалықтар

Шағын экскаваторларды салу және техникалық қызмет көрсету

Шағын экскаваторларды салу және техникалық қызмет көрсету


Мини экскаваторын салу Инновация және интеллектуалды техникалық қызмет көрсету: ірі жобалар бар шағын орган


1, шағын экскаваторлардың құрылысын талдау: «ғарыш сиқыршысының» төрт өлшемді технологиясы

Шасси және жаяу жүру жүйесі:


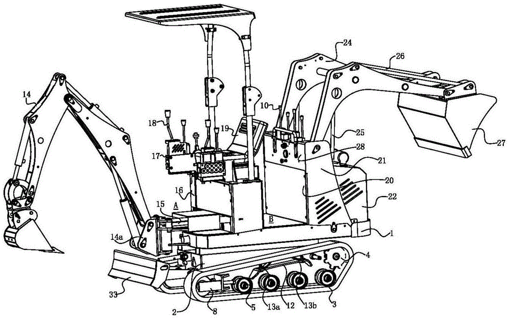
Таилс бұру дизайны: мысалы, Sany Sy18U сияқты модельдер «нөлдік құйрықты» құрылымын, құйрықты тек 0,86 метрдің радиусы бар, бұл 360 ° радиусы бар, бұл қабырғалармен соқтығысып, 360 ° бұру үшін. Сонымен бірге, біздің 08th Mini экскаваторы сонымен қатар тар кеңістіктерде ақысыз және икемді жұмыс істеуге мүмкіндік беретін, 1,1м болатын радиусқа қол жеткізе алады.


Реттелетін трек кадры: Жол өлшегішті еркін реттеуге болады (мысалы, SY16C, мысалы, 980-1350 мм кеңейту, мысалы, 980-1350 мм кеңейту және жиырылу), бұл 1 метр аллеялардан өтуді жеңілдетеді. Резеңкеге арналған жерлендіргіштің қысымы 25 кпа сияқты, төселген жерді қорғайды.


Өзін-өзі майлау подшипниктері: Янма шассиі Иглидур g сериялы сериялы сериялы, олар бұзуға қарсы, тотқа қарсы және техникалық қызмет көрсету, қызмет көрсету мерзімін үш есе арттырады.




Қуат және гидравликалық жүйе:


Қосарлы режимдегі қуат революциясы: шағын экскаватор Kubota KX019-ді қабылдайды, ол дизель / электронды бір нұқуды қолдайды, ол 20 кВт-аккумулятор жиынтығы 8 сағаттық диапазонды қамтамасыз етеді, ал жабық жұмыс шуылы 66 децибельден тұрады.


Интеллектуалды гидравликалық бақылау: Сезімтал технологиялар (Shengang SK35SR-6 сияқты) ағынды бөлу дәлдігіне ± 1,8%, композициялық әрекетке жауап беру 0,7 секунд, энергия шығынын 22% төмендетуге қол жеткізеді.




Жұмыс жабдықтарын жетілдіру:


Төзімді құрылымы: Ықшам экскаватордың бумының жасалынған буыны жылу өңдеумен (HRC55 + қаттылықты) артта қалдырды, ал шелек Hardox500 төзімді табақшамен (қаттылық HB500) дәнекерленеді, оның қызмет ету мерзімімен 30% -ға созылады.


Қолданыстағы Argent Patent: Kubota U-15-3s сол жақ ауытқуға 595 мм / оң ауытқу қаупі 350 мм ауытқуға қол жеткізіліп, қабырғаға бекітілген қазба ағзаны жылжытуды қажет етпейді.


Айналмалы құрылғы, 360 ° жан-жақты жұмыс, әртүрлі жұмыс ортасына бейімделуге икемді.


Адамның компьютерлік өзара әрекеттесуі


Төзімді таксимен ораңыз: қалқымалы орындармен, LCD сенсорлық экранмен және AI көлемді көріністермен жабдықталған, соқыр дақтарды 40% -ға азайтыңыз.


2, техникалық қызмет көрсету және күнделікті техникалық қызмет көрсету:

Күнделікті техникалық қызмет көрсетудің алтын ережесі


Гидравликалық мұнайды басқару: жазғыға қарсы гидравликалық майы № 68 Жазда және қыста № 32 тұтқырлық майы бар. Сорғы мен клапанның тозуын болдырмас үшін NAS (8 деңгей) тазалықты үнемі тексеріп отырыңыз.


Сары май құбыры: айналмалы мойынтіректер үшін 10 күн сайын майға енгізіп, PIN білікке жабысып қалмас үшін, жұмыс істейтін құрылғының топсасына 4-8 сағат сайын 4-8 сағат сайын жоғары қысымды майлаңыз.




Кәдімгі компоненттердің өмірді ұзарту техникасы:


Жол жүйесі: Тым бос болмас үшін шиеленісті реттеңіз (тістерге секіру) немесе тым қатты (жылдамдықпен жуыңыз); Тұтқырдың доңғалағының тығыздалмағанын болдырмау үшін қиыршық таспен үнемі тазалаңыз.


«Темір үшбұрышын кию»:

ЖҮРГІЗУШІЛІКТІ ЖҮРГІЗУ ҮШІН / 500Г

Тістерді басқарыңыз, тегіс және бірден ауыстырылады

Инертті доңғалақты тығыздағышы майы ағып кетуі керек

Сатшылардың мысықтар статистикасына сәйкес, шассидің істен шығуының 80% -ы компоненттердің осы үш түріне байланысты.


Төтенше еңбек жағдайларын өңдеуге арналған нұсқаулық:


Биіктіктің жоғары жұмысы: шағын экскаватордың турбо зарядталмаған қозғалтқышы қуаттың 15% -на өтемақы алады, ал гидравликалық жүйе ағынды жоғалтудың алдын алу үшін қысым өтеу клапанымен жабдықталған.

Сумен айналысу: Италиялық су тасқынынан құтқару кезінде заманауи HX35AZ герметикалық схемалы модуль арқылы 0,8 метр тереңдікке қол жеткізді.


Ұзақ мерзімді сақтау стандарттары:


Құрғақ бөлмедегі саябақ, жерге қосу қысымын азайту үшін жолдарды қолдаңыз;

Конденсацияны болдырмау үшін жанармай багын толтырыңыз, қамтудың барлық гидравликалық цилиндрлерді қартаюдың алдын алу үшін толтырыңыз;

Дампаның пайда болуына жол бермеу үшін 3 айда бір рет бастаңыз.


3, технологиялық шекара: өндірістік экологияны электрлендіру және зиялы қайта құру

Қуат төңкерісі:


Модульді батарея: Hitachi ZX55U-6EB 6EB-ге дейін коммерциялық қуат пен батареяның қосарлы жетегін қолдайды, 2 сағаттық жылдам зарядтау, 6 сағат ішінде 10 сағаттық жұмыс істеп тұрған.


Сутегі энергиясын сынақ: HD Hyundai көміртекті құрастыруға қол жеткізу үшін сутегі отынын (HX12) игерді.


Болжалды техникалық қызмет көрсету:


Қашықтан диагностикалау: Sany Sy35U-ді ақ жарма жүйесімен жабдықталған, ол нақты уақытта майдың температурасы мен дірілдігін талдайды, бұл нақты уақытта, ескерту дәлдігі 92% мөлшерлемесі бар.


AR техникалық қызмет көрсету бойынша көмек: Kaise микро экскаваторы кішігірім экскаваторларға арналған жаттығулармен айналысады, 30 ақаулық сценарийін модельдейді және техникалық қызмет көрсету тиімділігін 40% арттырады.


4, практикалық куә: ежелгі үйді қалпына келтіруден бастап тау-кен байлаудан

Тайзоудағы мингтік және Цин әдебиетінің резиденциясын қалпына келтіру: Кубота U-15-3s шағын экскаваторы жер асты құбырларын қазу жұмыстарын 0,85 метрге дейін, ал буманың бүйірлік қозғалыс функциясы 95% нақтыланған.


Чили мыс шахтасындағы жерасты операциялары: модификацияланған арматуралық кабинасы бар ықшам экскаватор 300 сағат ішінде үздіксіз жұмыс істейді, нәтижесінде тиеу шығындарының 23% төмендеуі мүмкін.


Токио Түнгі қалалық құрылыс: Sany Sy19E шағын экскаваторының таза электр алмасы 66 декибелмен үнсіз жұмыс істейді, қалалық «Құрылыс уақытының терезесі» мәселесін шешеді.


Қорытынды: Шағын дене үлкен болашаққа ие

0,8 тонна ультра жұқа модельден 4-тонна ауыр жауынгерге дейін, ұсақ экскаваторлар дәлдік құрылыс, әртараптандырылған энергия көздері, әртараптандырылған энергия көздері және ғаламдық құрылыс парадигмасын қайта даярлаудан өтеді. Жылдық сатылымдар Үндістан нарығында 3100 бірліктен асады және электр қозғалтқыштары үшін 40% -дан асады, бұл 2025 жылға қарай электр қозғалтқыштарының 40% -ы, бұл технологиялық төңкеріс «Үлкеннен кішіге дейін» технологиялық төңкерісі триллион долларлық нарықта алтын мүмкіндікті ашуға арналған.


Салалық қызмет көрсету тәжірибесі:

Шағын экскаваторлар үшін, дәлдік дизайн - бұл омыртқа, ал интеллектуалды техникалық қызмет көрсету - бұл зияткерлік техникалық қызмет көрсету, ал 1 юань бойынша техникалық қызмет көрсету шығындарын үнемдеу және жөндеу шығындарын 10 юаньмен азайту.



Қатысты жаңалықтар
Маған хабарлама қалдырыңыз
Электрондық пошта
market@everglorymachinery.com
Тел
+86-18153282520
Ұялы
Мекенжай
Чангьянг Вест-Жол, Хуангдао ауданы, Циндао қаласы, Шандонг провинциясы, Қытай
X
Біз cookie файлдарын сізге жақсырақ шолу тәжірибесін ұсыну, сайт трафигін талдау және мазмұнды жекелендіру үшін пайдаланамыз. Осы сайтты пайдалану арқылы сіз cookie файлдарын пайдалануымызға келісесіз. Құпиялылық саясаты
Қабылдамау Қабылдау